LM7805 Circuit and LM7805 Specification: Complete Guide

2024/10/11 17:36:57

Views:

The LM7805 voltage regulator is one of the foremost broadly utilized coordinates circuits (ICs) for controlling voltage in electronic ventures. It gives a stable 5V yield from the next input voltage, making it an fundamental component in control administration frameworks for gadgets such as microcontrollers, sensors, and other electronics requiring reliable voltage levels. In this article, we are going investigate everything you wish to know approximately the LM7805 regulator, counting its pinout, circuit plan, determinations, and application in electronic ventures.


Linear Voltage Regulators (LM7805) | AO #17


Table of Contents

What is the LM7805 Voltage Regulator?

The LM7805 voltage regulator IC is portion of the 78xx family of settled straight voltage regulators. The "78" arrangement offers a run of yield voltages, and the "05" in LM7805 alludes to its 5V yield. It is commonly utilized to change over higher DC voltages (e.g., 7V-35V) to a controlled 5V, which is fundamental for numerous low-power electronic gadgets and circuits.

The regulator works by altering the overabundance input voltage into warm and keeping up a steady yield, notwithstanding of vacillations within the input voltage or the current drawn by the stack. This highlight makes it perfect for utilize in power supply circuits, microcontroller ventures, and other electronic frameworks.

Why Use an LM7805 Voltage Regulator?

Voltage controllers a bit like the LM7805 ensure that fragile electronic components get a steady and secure voltage, securing them from voltage spikes, changes, or drops that might hurt or influence their execution. The IC is additionally simple to utilize, cost-effective, and widely accessible, making it a go-to component for numerous engineers and specialists alike.

LM7805 Pinout

LM7805 Pinout

Understanding the LM7805 pinout is vital for planning circuits that effectively utilize the voltage controller. The LM7805 may be a three-pin IC housed in a TO-220 bundle. The three pins are as takes after:

Pin Number
Pin Name
Description
1
Input
Supplies unregulated voltage (7V to 35V)
2
Ground
Ground reference for the circuit
3
Output
Provides regulated 5V output

This straightforward pin setup makes the LM7805 voltage controller simple to coordinated into different electronic circuits.


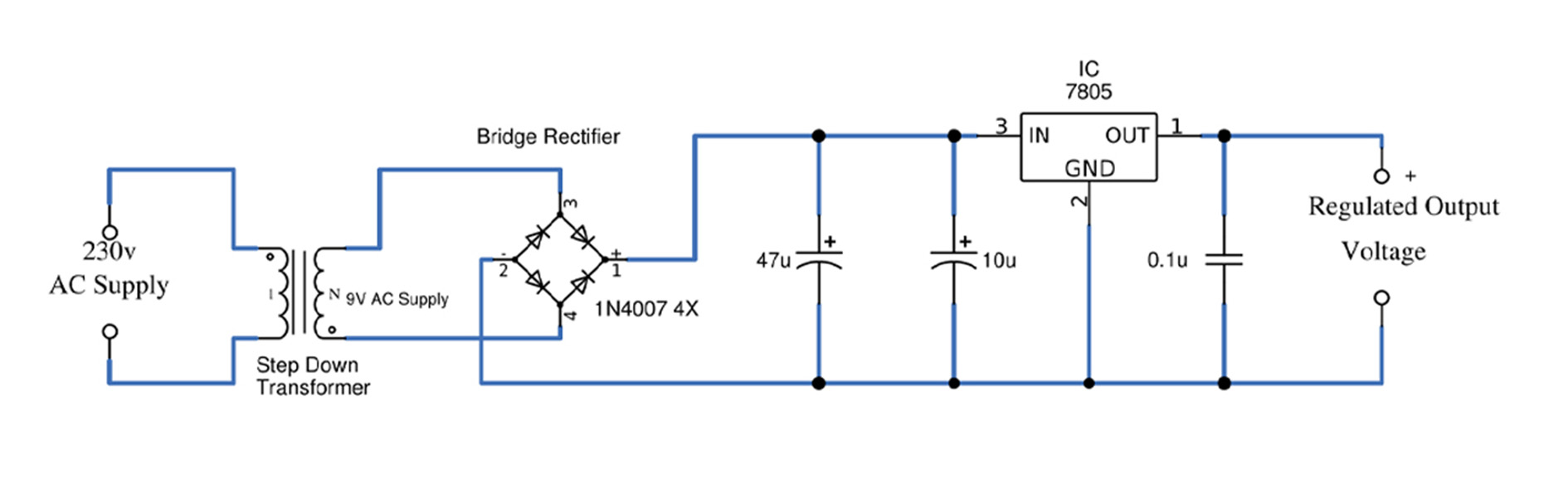
LM7805 Voltage Regulator Circuit

Planning an LM7805 voltage regulator circuit is direct due to its effortlessness. Ordinarily, you'll require some outside components to guarantee smooth operation and steadiness of the regulator. A basic circuit design would include:

  1. Input Capacitor (C1): A capacitor (e.g., 0.33µF) set between the input stick and ground makes a difference to channel out any clamor or voltage spikes from the input power supply.
  2. Output Capacitor (C2): Another capacitor (e.g., 0.1µF) associated between the yield stick and ground guarantees steady voltage yield and avoids motions within the directed voltage.
  3. Optional Diodes: To avoid invert extremity issues, diodes can be included to the input and yield lines.

Below is a simple schematic of an LM7805 voltage regulator circuit:

LM7805 voltage regulator circuit

The capacitors (C1 and C2) play an vital part in smoothing the input and output voltages, guaranteeing the steadiness of the 5V output.


LM7805 Capacitor Selection

LM7805 Capacitor Selection

Selecting the right LM7805 capacitor values is essential for stable operation. As a general rule of thumb:

  • The input capacitor ought to be at slightest 0.33µF, in spite of the fact that bigger values (e.g., 1µF) are regularly utilized to handle commotion or vacillations within the input power source.
  • The output capacitor ought to be at slightest 0.1µF, but higher values like 10µF may be utilized on the off chance that the stack requires it or in case the yield voltage is unsteady.

These capacitors offer assistance stabilize the voltage and minimize commotion or swells that may influence the execution of touchy components associated to the controller.


LM7805 Current Handling

The LM7805 current rating is one of its key determinations. The IC is able of conveying up to 1.5A of yield current, making it appropriate for numerous low-power to moderate-power applications. Be that as it may, it's critical to note that the most extreme current yield depends on components such as the input voltage, warm dissemination, and the nearness of satisfactory warm sinks.

In high-power applications, the LM7805 may require a heatsink to scatter the warm produced amid voltage regulation, particularly when working near to the most extreme current constrain of 1.5A.

Managing Heat Dissipation

When the LM7805 regulates voltage, the overabundance voltage (contrast between input and yield) is scattered as warm. To anticipate overheating and potential disappointment, it's imperative to guarantee legitimate warm dissemination, particularly when dealing with higher input voltages or drawing tall current loads. Connecting a heatsink to the regulator's metal tab makes a difference to oversee the warm successfully.


LM7805 Price and Availability

The LM7805 cost shifts depending on the provider and the amount obtained. In common, this IC is exceptionally reasonable, frequently costing between $0.30 and $1.00 per unit when acquired in little amounts. Bulk buys can assist diminish the fetched, making it a cost-effective choice for large-scale electronic ventures.


Applications of LM7805 Regulator

The LM7805 is used in a wide variety of applications due to its versatility, reliability, and ease of use. Some common applications include:

Application
Description
Microcontroller Power Supply
Provides stable 5V output, ideal for powering Arduino, ESP8266, and other microcontrollers.
Sensor Circuits
Delivers a reliable 5V supply for sensors, ensuring accurate readings.
Embedded Systems
Guarantees a relentless 5V power supply for different inserted frameworks requiring regulated voltage.


LM7805 Voltage Regulator Datasheet

The LM7805 voltage regulator datasheet gives nitty gritty specialized data, counting electrical characteristics, stick setups, greatest appraisals, and ordinary application circuits. It's continuously a great thought to allude to the official datasheet when planning circuits, because it contains basic information that guarantees the regulator is utilized inside its limits and details.

LM7805 Specification

Understanding the LM7805 specification is critical for selecting the proper regulator for your venture. The most specifications are as takes after:

Specification
Value
Input Voltage
7V to 35V
Output Voltage
5V (regulated)
Output Current
1.5A (max)
Dropout Voltage
2V
Thermal Protection
Yes (overheat shutdown)
Short-Circuit Protection
Yes
Operating Temperature Range
0°C to 125°C

These characteristics make the LM7805 a robust and reliable regulator for various electronics applications, from microcontroller power supplies to sensor circuits.


LM7805 vs Other Voltage Regulators

Parameter
LM7805
LM317
78L05
1117-5.0
AMS1117-5.0
Output Voltage (V)
5.0
Adjustable
5.0
5.0
5.0
Input Voltage Range (V)
7 - 35
3 - 40
7 - 35
6 - 20
6 - 15
Max Output Current (A)
1.5
1.5
0.1
1.0
1.0
Power Dissipation (W)
15
20
0.5
10
10
Protection
Yes
Yes
Yes
Yes
Yes
Package
TO-220
TO-220, TO-3
TO-92
SOT-223
SOT-223

Compared to other voltage regulators, the LM7805 offers simplicity and reliability for fixed 5V applications. In any case, for higher proficiency in power transformation, exchanging controllers like buck converters may be more appropriate, particularly in battery-operated gadgets where vitality preservation is basic.

Conclusion

The LM7805 voltage regulator IC is an basic component in numerous electronic ventures, advertising a basic and solid way to supply a directed 5V control supply. Its ease of utilize, reasonableness, and accessibility make it a favorite among hobbyists and experts alike. By understanding the LM7805 pinout, details, and how to plan a appropriate LM7805 voltage regulator circuit, you'll be able guarantee steady power for your electronic devices.

Whether you're working on a microcontroller project, sensor interface, or control supply plan, the LM7805 regulator is a solid choice that conveys reliable execution. For more nitty gritty specialized data, continuously allude to the LM7805 voltage regulator datasheet.


Commonly Asked Questions

What is the input voltage run for an LM7805 circuit?

The input voltage ought to be between 7V to 35V for appropriate operation.

How much current can the LM7805 give?

The LM7805 can convey up to 1.5A of current.

Why are capacitors utilized in an LM7805 circuit?

Capacitors stabilize input and yield voltages, decreasing clamor and anticipating variances.

What is the LM7805 dropout voltage?

The dropout voltage is 2V, meaning the input must be at slightest 7V for a 5V yield.

Can LM7805 be utilized with batteries?

Yes, but the input voltage must be inside the 7V to 35V run.

What warm security highlights does LM7805 have?

It has built-in warm and short-circuit security.
Tags:

Related Information

Home

Home

Products

Products

Phone

Phone

Contact Us

Contact